Высоконапорный канальный кондиционер SYSCOOL SYSPLIT DUCT 96 HP

На складе: много
Внешнее статическое давление до 250 Па
Инверторный компрессор
Высокоэффективная теплоплоизоляция
Внимание: Данный продукт продается комплектом: внутренний+наружный блок
621 690 руб.
7 314 USD

Описание

Высокое внешнее статическое давление — до 250 Па увеличивает расстояние подачи воздуха и обеспечивает возможность кондиционирования нескольких или одного помещения площадью до 350 м2. Высокоэффективная теплоизоляция, отсутствие конденсата на корпусе. Инверторный компрессор.

Технические характеристики

Основные характеристики
ХладагентR410A
Холодопроизводительность95500 (34120~97240) кВт
Холодопроизводительность28,00 (10,00~28,50) кВт
Потребляемая мощность при охлаждении11,40 (1,90~12,50) кВт
Рабочий ток19,50 (3,20~21,10) А
Теплопроизводительность105800 (38080~109200) кВт
Теплопроизводительность31,00 (11,16~32,00) кВт
Потребляемая мощность при обогреве9,48 (1,80~10,00) кВт
Рабочий ток16,00 (3,00~16,90) А
EER/COP2,46E/3,27C
Компрессор тип/производительРоторный/GMCC
Внутренний блок
Электропитание220~240,50,1 В/ф/Гц
Расход воздуха (выс/ср/низ)5000/4000/3600 м³/ч
Уровень звукового давления (выс/ср/низ)55/52/50 дБ(А)
Уровень звуковой мощности (выс/ср/низ)66/63/51 дБ(А)
Статическое давление150 (30~250) Па
Габариты блока без упаковки (Д×Ш×В)1388×715×480 мм
Габариты блока с упаковкой (Д×Ш×В)1540×810×610 мм
Масса блока без упаковки95 кг
Масса блока с упаковкой112 кг
Сечение кабелей (Вводной)3×1 n×мм²
Наружный блок
Электропитание380-415,50,3 В/ф/Гц
Уровень звукового давления64 дБ(А)
Уровень звуковой мощности76 дБ(А)
Габариты блока без упаковки (ДхШхВ)1120×400×1540 мм
Габариты блока с упаковкой (ДхШхВ)1270×560×1710 мм
Масса блока без упаковки146 кг
Масса блока с упаковкой152 кг
Диаметр соединений (Жидкостная линия)9,52(3/8) мм(дюйм)
Диаметр соединений (Газовая линия)22(7/8) мм(дюйм)
Диаметр соединений (Дренаж)Ø7 мм(дюйм)
Сечение кабелей (Вводной)5×2,5 n×мм²
Сечение кабелей (Межблочный)2×1 n×мм²
Макс. длина магистрали50 м
Перепад высот30 м
Температура внутри помещенияОхлаждение +17…+32 / Обогрев 0…+30 °C
Наружная температура Охлаждение -5…+49 / Обогрев -15…+24 °C

Производительность

Производительность

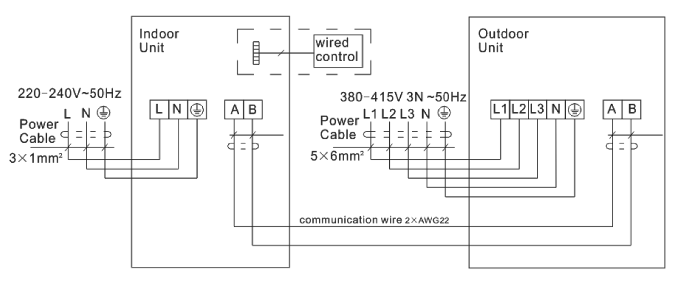
Электросхема

Электросхема

Габариты

Габариты
Габариты

Документация

Руководство SYSCOOL SYSPLIT DUCT 96 HP Q.pdf
Руководство контроллер SYS XK-04.pdf
Скачать все
Скачать в PDF
Главная
Каталог
Корзина
Войти
Этот сайт использует файлы cookies и сервисы сбора технических данных посетителей