CAV-R/-S, регуляторы постоянного расхода воздуха

Поддержание постоянного расхода воздуха
Простая настройка
Исполнения с изоляцией и без
Внимание: Имеется большое количество моделей как для круглых, так и прямоугольных каналов. Для подбора данного оборудования обращайтесь в ближайший офис Системэйр.

Описание

CAV-регулятор постоянного расхода воздуха с механическим регулированием (не требуется внешний источник электропитания). Данное устройство предназначено для регулирования расхода воздуха независимо от перепада давления (в диапазоне от 50 до 1 000 Па, диапазон скоростей воздуха от 2 до 10 м/с) в системах с постоянным расходом. Требуемый расход воздуха устанавливается непосредственно на регуляторе.

Внешний корпус изделия изготовлен из оцинкованного листа, внутренние компоненты из оцинкованного и алюминиевого листа. В ассортименте представленно большое количество моделей как для круглых, так и прямоугольных каналов.

Регуляторы также поставляются в шумоизолированном исполнении (CAV-R/S-I). Тепло-шумоизоляционный слой толщиной 6 или 9 мм.
Регуляторы постоянного расхода используются для подачи или удаления воздуха из помещения.
Погрешность ±10%.
Требуемый расход воздуха можно изменить при помощи шестигранного ключа.

Технические характеристики

Технические характеристики указаны в соответствующей брошюре во вкладке "Документация" ниже.

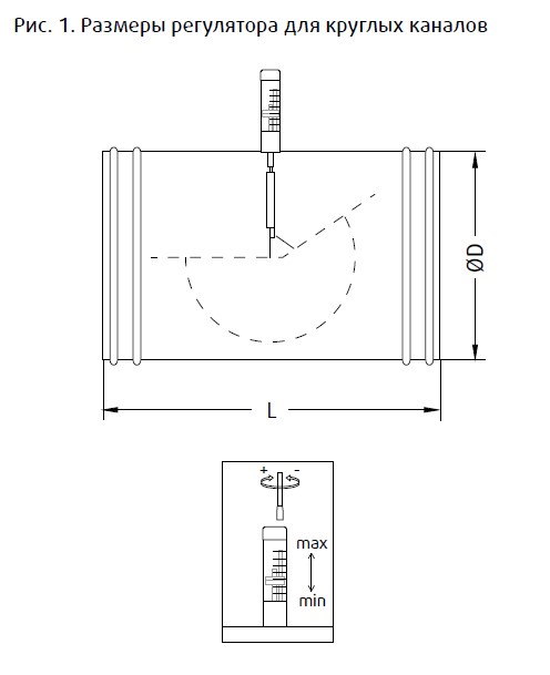
Габариты

Габариты
ØD(мм) L (мм) Расход воздуха м³/ч
Ø100 240 50-250
Ø125 240 80-400
Ø160 240 130-670
Ø200 280 210-1000
Ø250 280 330-1650
Ø315 380 540-2700
Ø355 380 690-3400
Ø400 400 880-4400
Габариты
Ширина х Высота W x H (мм) L (мм) Расход воздуха м³/ч
150 х 150 200 150-800
200 х 100 150 150-700
200 х 200 250 300-1400
300 х 100 150 200-1000
300 х 150 200 300-1600
300 х 200 250 400-2100
300 х 300 350 600-3200
400 х 200 250 550-2800
400 х 250 300 700-3500
400 х 300 350 850-4300
450 х 300 350 950-4800
500 х 200 250 750-3500
500 х 250 300 900-4400
500 х 300 350 1000-5300
500 х 400 450 1400-7100
600 х 300 350 1250-6400
600 х 400 450 1700-8600
600 х 600 650 2600-13000

Документация

CAV-R -S, регулятор постоянного расхода воздуха.pdf
Скачать все
Скачать в PDF
С этим товаром покупают
RVAV / SVAV, регуляторы переменного расхода воздуха
RVAV / SVAV, регуляторы переменного расхода воздуха
IRS, ирисовые шиберы
IRS, ирисовые шиберы
Главная
Каталог
Корзина
Войти
Этот сайт использует файлы cookies и сервисы сбора технических данных посетителей